Product Center

产品中心
SY5951 样品申请
概述

SY5951是一款具有1?A超低静态电流的同步升压转换器。器件间专为由碱性电池、镍氢充电电池、锂锰电池或锂离子充电电池供电的产品而设计,能够在轻载条件下高效运行,这对延长电池使用寿命至关重要。
SY5951升压转换器可在静态电流最低的情况下实现最高效率。该器件在轻载条件下消耗1?A静态电流;当负载为10?A,固定输出电压版本时,可实现高达75%的效率。该器件在3.3V至5V转换过程中的输出电流高达300mA,在200mA负载条件下可实现高达93%的效率。
SY5951还可为不同应用提供降压模式和直通模式。在降压模式下,即使输入电压高于输出电压,输出电压仍可调节为目标值。在直通模式下,输出电压随着输入电压发生变化。当VIN>VOUT+0.5V时,SY5951退出降压模式并转入直通模式。
SY5951在禁用状态下能够将负载与输入电源断开,真正实现关断,从而降低电流消耗。
SY5951采用的封装形式为WLCSP-6和DFN-6。

产品特性

500nA超低IQ流入VOUT引脚

60nA超低IQ流入VIN引脚

工作输入电压范围为0.7V至5.5V

可调输出电压范围为1.8V至5.5V

提供固定输出电压版本

最小开关峰值电流限值为0.8A

降压模式下的稳压输出电压

关断期间真正实现断开

集成充电过压保护

使用固定输出电压版本时,10?A负载条件下的效率高达75%

支在10mA至300mA负载条件下的效率高达93%

使用了WLCSP-6、DFN-6封装

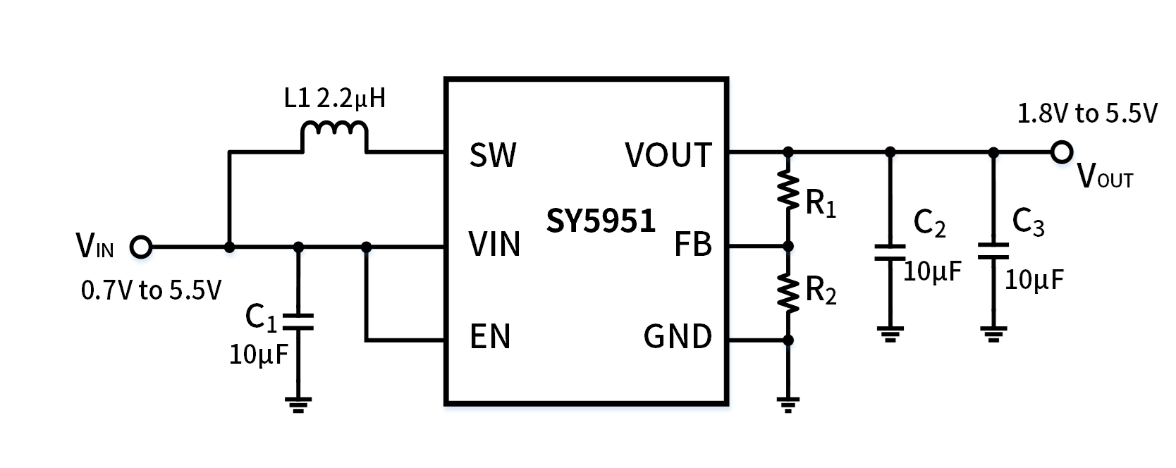
产品参考应用图
应用

可穿戴便携设备

IOT

消费类电子产品

电池供电系统

存储器液晶显示屏(LCD)偏置

低功耗无线应用