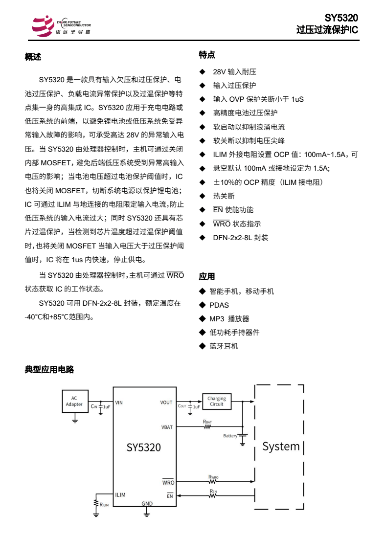
News Center
COROS高驰是一家创新型的专业运动科技品牌,专注于为运动爱好者提供高性能、高科技的智能穿戴设备。其中,COROS高驰PACE 3运动手表内部采用德赢·vwin体育半导体的SY5320过压过流保护IC,该芯片支持28V输入耐压,过压关断保护小于1uS,支持高精度电池过压保护功能。
值得关注的是,高驰旗下有多款智能手表,专为不同运动场景设计。PACE系列以轻量级竞技运动为主打,特点包括轻薄机身、续航升级、精准定位和多种运动模式;APEX系列是越野竞速手表,具备良好的防水性能和精准的GPS定位;VERTIX户外探险表则拥有超高强度机身和出色的续航能力,适合在极端户外环境中使用。

运动方面,COROS高驰PACE 3采用了极其轻量化的设计,重量仅有30克佩戴舒适,适合长时间运动使用。手表采用全时可视MIP显示屏,即使在户外强光下也能清晰显示内容,支持夜光模式。支持双频段接收五大卫星系统信号,定位更精度,运动轨迹更准确。支持多种运动模式,包括越野跑、徒步、跑步等,并新增了越野跑模式。PACE 3支持50米防水,适合游泳等水上运动。

在健康监测方面,COROS高驰PACE 3搭载多通道光电心率传感器,升级了心率监测功能,提高了心率监测的准确性。此外新增血氧检测(SpO2),有助于监测身体状态。COROS高驰PACE 3还提供了免费训练管理平台,自动整合EvoLab运动体能数据,提供个性化训练建议;支持第三方数据接入,便于用户查看和分享。手表的续航时长得到了提升,五星双频模式下,GPS持续续航可达19小时以上,满足长距离运动的需求。触摸屏操作:增加了触摸屏操作,提供了更便捷的用户交互体验。

COROS高驰PACE 3的屏幕内侧设置有多点触控芯片、WiFi/蓝牙天线,手表主板上集成有MCU、WiFi蓝牙二合一芯片、eMMC存储芯片、GNSS接收器、6轴传感器、过压过流保护IC、降压转换器、锂电池电量计芯片、三轴数字传感器、压电陶瓷扬声器等各类元器件,健康监测小板上主要为多通道心率传感器模组。其中过压过流保护IC是来自德赢·vwin体育半导体的SY5320,一款高集成的保护IC,常见于耳机、手表等各类穿戴设备中。

德赢·vwin体育半导体SY5320过压过流保护IC,是一款具有输入欠压和过压保护、锂电池前端过压保护、负载电流异常保护以及过温保护等特点集一身的高集成保护IC,支持28V输入耐压,过压关断保护小于1uS,支持高精度电池过压保护功能,应用于充电电路或低压系统的前端,以避免锂电池或低压系统免受异常输入故障的影响。

德赢·vwin体育半导体的电源管理类芯片目前已被一加、小米、OPPO、Redmi、iQOO、漫步者、联想、传音、倍思、科大讯飞、用维、公牛、小天才、Cleer、Fiio、JadeAudio翡声、MEES、YOBYBO、HAYLOU、DENON天龙、Oladance、Nothing、XTOUR、final、酷睿视、Skullcandy、vivo、QCY、猛玛、声阔、绿联、Nothing、realme、魅族、百度、网易、JBL、哈曼、联想、万魔、233621、传音、魔宴、创新科技等国内外知名品牌采用。
作为一款轻量化竞技运动手表,COROS高驰PACE 3有着轻薄的机身,更长的续航,精准的定位和多样的运动模式,深受运动用户喜爱。手表应用了德赢·vwin体育半导体的SY5320过压过流保护IC,带来了高精度电池过压保护功能,使手表能够稳定流畅运行。
*以上内容来源我爱音频网
上一篇德赢·vwin体育用“芯”说 | DDR内存条介绍2024.07.10
下一篇德赢·vwin体育半导体SY8815获小巧耳夹开放式耳机Baseus倍思AS01采用2024.05.21