News Center
主动降噪深度达到了48dB、降噪频宽提升至4000Hz的一加Buds Pro 2是一加推出的旗舰款TWS耳机,一加Buds Pro 2支持通透模式、三麦克风降噪、全链路空间音频功能,同时支持LHDC 5.0传输协议,支持蓝牙5.3连接,延迟低至 54m,还与联合丹拿对耳机调音,拥有更丰富的音乐细节表现。
我爱音频网在拆解一加Buds Pro 2真无线耳机中发现耳机充电盒内部采用了德赢·vwin体育半导体SY8809蓝牙耳机充电仓解决方案,SY8809集成充电模块、放电模块和NTC保护功能,集成标准的I2C接口和中断信号,方便实现芯片和MCU之间的通讯,控制充电、放电功能;同时,耳机内部搭载的SY5501电源管理PMIC也来自德赢·vwin体育半导体,SY5501负责耳机的充电及隔离通讯。

从外观上来看,一加Buds Pro 2的充电仓外部覆盖NCL哑光涂层,能防沾尘或指纹;耳机采用NCL哑光涂层和抛光的铟原料两种工艺相结合,配备三种不同尺寸的抗菌防耳垢耳塞,保障舒适、干净、长时间地佩戴。

一加Buds Pro 2充电盒内置520mAh锂电池,同时支持有线和无线两种方式输入电源。一加Buds Pro 2的有线充电采用德赢·vwin体育半导体SY8809蓝牙耳机充电仓解决方案,SY8809内部集成充电模块和放电模块,充电模块采用NVDC架构,电池端充电电流I2C可以调节;放电模块输出电压I2C可以调节,集成两路输出限流开关,提供了独立的负载存在检测和负载插入检测,同时支持输出电流检测。芯片集成NTC保护功能,更安全的对电池进行充放电。


SY8809集成了标准的I2C接口和中断信号,方便实现芯片和MCU之间的通讯,控制充电、放电功能。SY8809集成了通讯端口,可以实现MCU到耳机端的高速通信,非常适合蓝牙耳机充电仓的设计,高集成度极大简化了外围电路和元器件,为蓝牙耳机充电仓的应用提供了简单易用的方案。SY8809采用的封装形式为QFN4x4-24。

一加Buds Pro 2耳机内部则搭载了0.231Wh软包扣式电池,同样搭载了来自德赢·vwin体育半导体的SY5501电源管理PMIC,负责耳机的充电和隔离通讯。

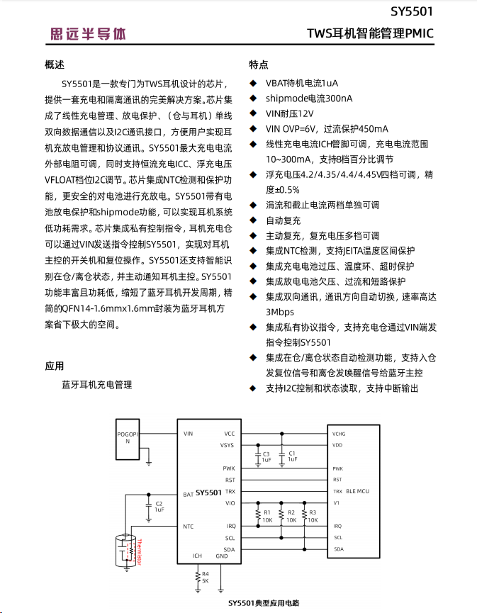
德赢·vwin体育半导体SY5501电源管理PMIC,是一款专门为TWS耳机设计的芯片,提供一套充电和隔离通讯的完美解决方案。芯片集成了线性充电管理、放电保护、(仓与耳机)单线双向数据通信以及I2C通讯接口,方便用户实现耳机充放电管理和协议通讯。

SY5501最大充电电流外部电阻可调,同时支持恒流充电ICC、浮充电压VFLOAT档位I2C调节;芯片集成NTC检测和保护功能,更安全地对电池进行充放电管理。SY5501带有电池放电保护和shipmode功能,可以实现耳机 系统低功耗需求。芯片集成私有控制指令,耳机充电仓可以通过VIN发送指令控制SY5501,实现对耳机主控的开关机和复位操作。SY5501还支持智能识别在仓/离仓状态,并主动通知耳机主控。
德赢·vwin体育半导体的电源管理类芯片目前已被小米、OPPO、Redmi、iQOO、一加、漫步者、联想、传音、倍思、科大讯飞、用维、公牛、小天才、Cleer、Fiio、JadeAudio翡声、MEES、YOBYBO、HAYLOU、DENON天龙、Oladance、Nothing、XTOUR、final、酷睿视、Skullcandy、vivo、QCY、猛玛、声阔、绿联、Nothing、realme、魅族、百度、网易、JBL、哈曼、联想、万魔、233621、传音、魔宴、创新科技等国内外知名品牌采用。
一加Buds Pro 2是一加联合丹拿进行调音的一款旗舰TWS耳机,降噪深度同时升级至48dB,耳机的充电盒内部搭载了来自德赢·vwin体育半导体的SY8809蓝牙耳机充电仓解决方案,其集成充电模块、放电模块和NTC保护功能,集成标准的I2C接口和中断信号,方便实现芯片和MCU之间的通讯,控制充电、放电功能;另外,耳机内部搭载的SY5501电源管理PMIC也同样来自德赢·vwin体育半导体,负责耳机的充电及隔离通讯。
以上文章来源于我爱音频网
关于德赢·vwin体育半导体
深圳市德赢·vwin体育半导体有限公司成立于2011年,是国家级高新技术企业、国家级专精特新“小巨人”企业。公司专注于电池应用的Power+电源管理系统芯片设计,致力为智能穿戴、工业、新能源等行业提供领先的电池管理系统级芯片及解决方案,包括移动电源SoC芯片、TWS耳机电源SoC、锂电池充电芯片、电源管理PMIC、无线充电芯片等。
近两年来,德赢·vwin体育半导体深耕智能穿戴产品市场,累计出货量超过10亿颗。客户包括小米、OPPO、一加、vivo、realme、传音、魅族、1MORE、百度、网易、漫步者、JBL、哈曼、联想、Nothing等国内外知名品牌,服务全球数亿消费者。公司在深圳、上海、成都、珠海设立了分支机构,研发团队成员占比62%,分别毕业于分别毕业于香港科技大学、北京大学、浙江大学、电子科技大学、西安交通大学、华中科技大学等知名高校,硕士及以上学历占比50%以上。
德赢·vwin体育半导体凭借在电源管理系统芯片领域的深入研究和创新实力,荣获2022年中国模拟半导体优秀企业奖、2022年中国IC风云榜“年度新锐公司奖”、2021第八届中国IoT大会暨2021第六届中国IoT创新奖,以及2021创“芯”蓝海评奖成果秀AIoT卓越奖等。目前,公司已申请、获得近200项自主知识产权。
上一篇德赢·vwin体育用“芯”说 | 充电管理芯片SY62012024.02.28
下一篇德赢·vwin体育用“芯”说 | 负载开关SY5701/2 2024.01.12