News Center
近日,德赢·vwin体育半导体耳机智能管理PMIC SY5500被OnePlus Buds Pro、飞智(flydigi)银狐X1、声阔 Soundcore 超能小彩蛋 Life P3以及Nothing ear1等品牌耳机广泛商用,并赢得了良好的客户反馈。SY5500到底有哪些卓越的性能,下面让小编给大家详细介绍一下吧。
充电+隔离通讯解决方案 专门为TWS耳机而生
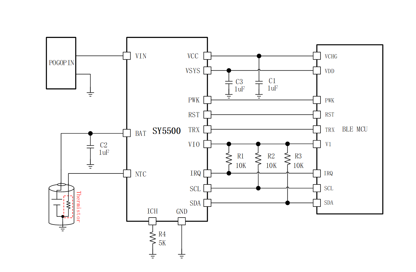
SY5500是一款专门为TWS耳机设计的芯片,提供完美的充电和隔离通讯解决方案。芯片集成了线性充电管理、放电保护、(仓与耳机)单线双向数据通信以及I2C通讯接口,方便用户实现耳机充放电管理和协议通讯。
SY5500最大充电电流外部电阻可调,同时支持恒流充电ICC、浮充电压VFLOAT档位I2C调节;芯片集成NTC检测和保护功能,能更安全的对电池进行充放电;SY5500带有电池放电保护和shipmode功能,可以实现耳机系统低功耗需求。

(SY5500典型应用原理图)
同时,芯片集成私有控制指令,耳机充电仓可以通过VIN发送指令控制SY5500,实现对耳机主控的开关机和复位操作。SY5500还支持智能识别在仓/离仓状态,并主动通知耳机主控;SY5500功能丰富且功耗低,能有效缩短蓝牙耳机开发周期,精简的QFN14-1.6mmx1.6mm封装为蓝牙耳机方案节省大量的空间。
十年技术积累 成就TWS行业电源芯片龙头地位
德赢·vwin体育半导体自成立以来, 一直专注于电池应用的POWER+电源管理系统芯片设计,致力为消费电子、工业及汽车电子等行业提供领先的 电源管理系统级芯片解决方案,除耳机智能管理PMIC外,公司还为客户提供业界领先的移动电源SOC芯片、TWS耳机仓电源管理芯片、锂电池充电芯片、无线充电芯片等产品。
近两年,德赢·vwin体育半导体TWS耳机充电仓SOC芯片连续两年市场占有率排名第一,累计出货超过7亿颗。客户包括小米、OPPO、一加、realme、传音、魅族、百度、网易、漫步者、 1MORE、JBL、Anker、哈曼等国内外知名品牌,致力以创新技术为全球数亿消费者提供优质的产品体验。
上一篇德赢·vwin体育半导体携全套电源管理方案助力一加Buds Z2灵动上市2021.10.13
下一篇德赢·vwin体育半导体:火爆TWS耳机芯片赛道里的“单项冠军”2021.08.16