Product Center
SY9601 Sample Application
General Description

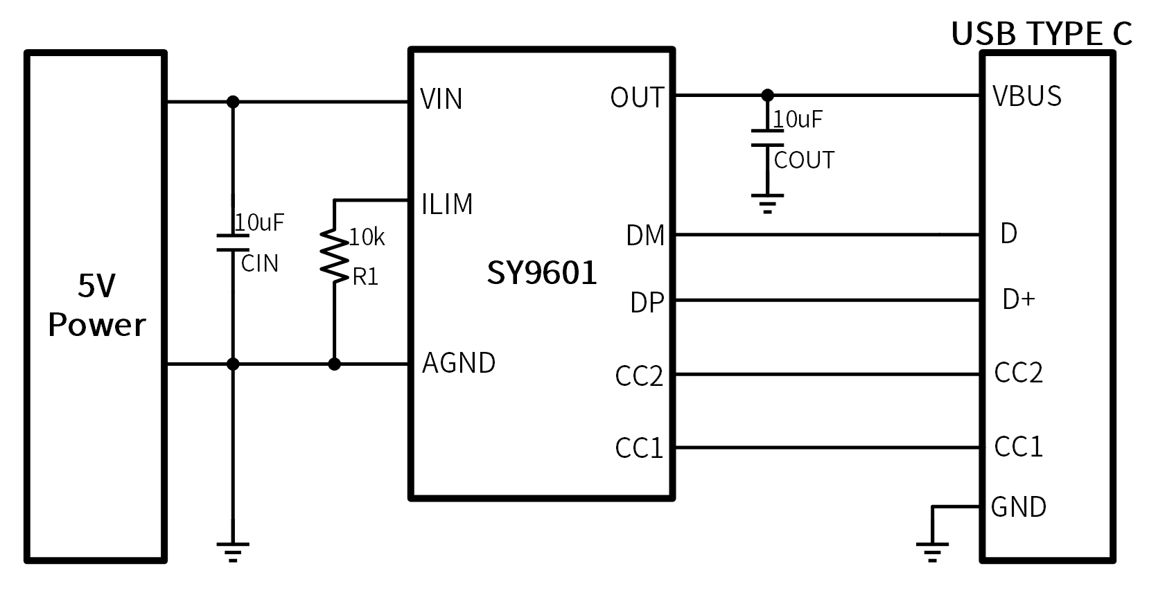
SY9601 is a current-limiting IC integrating Type-C and BC1.2 protocols, with adjustable output limited current, PMOS switch with maximum limited current of 3A, D+/D supporting BC1.2 protocol, which provides automatic identification of mobile phones such as iPhone and Samsung, and ensures maximum charging power. Type-C port output is provided for detecting CC connection before turning on the current limit switch and indicating the maximum output current capability. SY9601 is available in a ESOP8 or DFN10 package.

Features

Integrated PMOS switch with ultra-low impedance and 30mΩ conductor resistance, reverse output protection

Linearly adjustable maximum output current via external resistor

Ultra-low standby current: 70uA

Type-C port output for detecting CC connection and indicating the maximum output current capability

Automatic switching between multiple USB charging protocols

Supports BC1.2 DCP and YD/T 1591-2009

Supports Divider 3 charging protocol, supports Apple devices

Applications for Samsung devices

Typical Application Circuit Diagram
Applications

Power bank, portable chargers, wall chargers, car chargers, etc.