Product Center
MP5037 Sample Application
General Description

MP5037 is a power bank solution device which is highly integrated with switch charger, LED display cell and synchronous boost output. 
The MP5037 has two operating modes, charge mode and boost mode, to manage the system and battery power based on the state of the input. When input power is present, the MP5037 operates in charge mode. It automatically detects the battery voltage and charges the battery in the three phases: trickle current mode, constant current mode and constant voltage mode.
Boost will be enabled by short pressing the KEY or insertion a load at standby mode when the battery voltage is higher than 3.2V. Short pressing the KEY will shut down the boost when the boost is active.

Features

 Low quiescent current: 75uA

Switch charge with high efficiency up to 90%@2A

Charge current up to 2A

Frequency for charger1MHz

Charge current could be regulated by the temperature, this realize the maximum charge rate, without overheat automatically

Terminated charge voltage: 4.2V(MP5037), the accuracy is ±1%

Regulate the charge current refer to the adapter’s ability automatically

Boost output 5.1V with High efficiency up to 94%@2A


Frequency for boost500KHz

Output current up to 2.4A

Detect the load automatically and auto shunt down at no load condition

Original temperature management technology for boost

Over-current protection (OCP), over voltage protection (OVP), over temperature protection (OTP) and short circuit protection (SCP) are integrated for boost

 4 LEDs display to indicate the battery fuel gauge

Short pressing the KEY at standby mode for enable the boost and battery fuel gauge display; Short pressing the KEY at boost mode to shut down the boost; Long pressing the KEY for enable and disable the torch

Supports USB DCP Shorting D+ Line to D- Line per USB Battery Charging Specification, Revision 1.2 (BC1.2)

Supports Shorted Mode (Shorting D+ Line to D-Line) per Chinese Telecommunication Industry Standard YD/T 1591-2009

Supports USB DCP Applying 2.7 V on D+ Line and 2.7V on D-linesupports Apple, Samsung phone, etc.

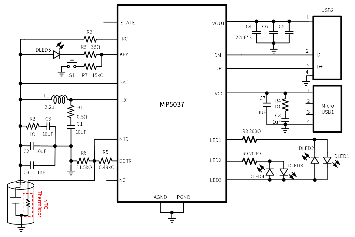
Typical Application Circuit Diagram
Applications

u  Sub-Battery Applications

u  Power-Bank Applications for Smart-Phone Tablet and Other Portable Devices